北印学术
当前位置: 乐动(中国)» 北印学术

乐动注册2020届毕业设计展之绿色印刷专题

1.jpg


6月8日,乐动注册2020届本科毕业设计作品展正式上线。此次毕业设计展分为五个主题,分别为战“疫”主题、红色出版主题、绿色印刷主题、多彩艺术主题、共同培养主题,以跨媒介的展示形式和沉浸式的体验方式呈现来自七个二级学院200余件优秀作品。

今年的毕业展极为特别,2020年伊始,“新冠病毒”来袭,师生渡过了一个特殊的学期。虽面临重重考验,但在校党委的坚强领导下,职能部门与二级学院积极配合,师生创新完成毕业设计(论文)工作,共同策划和完成线上毕业展,与更多的观众一同分享学校教育教学理念和育人成果。

本次毕业设计作品展,以提高实践教学水平为目标,展示四年育人成果,切实提高毕业设计质量。同时,将思想政治教育融入专业实践教学,以创新创业教育为载体,在突出学科布局和专业特点的基础上,结合疫情和迎接冬奥会等重大事件,完成了一批优秀作品,有效引领青年学生与党和国家大政方针同频共振、同向同行,培养青年学生责任意识、家国情怀。结合社会需求,跨学科、专业融合、形成师生合力,一批作品从文化创意、科技创新、艺术体验等多角度呈现了2020届毕业生的专业素养和匠人精神,展示了学校大学生的服务国家意识和创新能力。


与众不同的展示形式

带你看独一无二的“云端”作品展

赶快扫码进入

“乐动注册本科毕业设计作品展”小程序

查看更多惊喜

也欢迎你为喜欢的作品点赞投票哦

e9be8c56548f4eb296d3548f8318930f.jpg


部分精彩作品展示


辐宁德通窑藏黄酒包装设计

池岩松 包装工程专业        

本作品采用了中国文化中最为流传的"礼”为主的产品瓶型设计视觉语言,侧面形象使用了大米的形状暗示了黄酒是起源于中国的传统粮食酿造酒的历史地位。在酒瓶的装潢设计中采用了围绕式样的祥云在酒瓶周身点缀,提升产品的格调。从侧面的形象融入了两个元素的考虑分别是大米的形象以及作揖的姿态。再配以中国传统服饰的纹样,增添了产品的拟人神态,升华了君子的形象。君之礼得于行,整体造型让人一眼入目的温润,以圆润的造型提高了用户的握持感,大气的造型给人以亲和的感觉,突显了中华文化之厚德载物。产品同样采用了全新的产品名称“如皇”,其含义为,自古以来高品质的黄酒就是每年朝廷进贡之物,君子小酌、宴请宾客的上乘之选,宛如皇帝御赐的珍品,更应加倍爱惜。        

8f57286e471e426a9ebcfe0f82d56d3e.jpg



“老舍茶馆”文创作品设计与制作

吴雨晴 印刷工程专业

老舍茶馆是京味茶馆的代表,自1988年成立时起就一直秉持“振兴古国茶文化,扶持民族艺术花”的宗旨,通过赋予茶馆产品独特的茶文化内涵,来传播茶文化。并且随着人们对文化的日渐重视,文化的附加价值也逐渐提升,全球各国都在大力推动文化产品与文创产业的发展。通过赋予产品创意,让文化创造更大价值, 同时赋予产品一定的功能性与独特性。因此将老舍茶馆其茶文化结合文创产品,既赋予产品传统文化,又贴合老舍茶馆企业宗旨,两者结合将相得益彰、相辅相成。作品整体为新年礼盒形式,内包含五个部分,分别为手账、红包、日历、茶叶包装、年画福字。

9106449d3e1c420cbedb1c245143cb31.jpg

318b40f6b79947e5b722cd3e7731df84.jpg

1a31c56cb92846e3a47d2b61d2ce3f39.jpg

2583ca2718c841b2ad46f546b47991ac.jpg



红外紫外双谱融合水印的半色调信息隐藏技术研究

黄媛 电子信息工程专业

本课题基于CMYK半色调图像颜色匹配及墨量密度信息双重参数调制方法,提出了红外和紫外防伪水印图像融合的半色调防伪方法。利用灰色成分替代原理,调制CMY与K墨的比例,使其满足同色异谱特性、完成红外防伪信息隐藏,实现同色异谱防伪方法;进行CMYK色谱干涉数据调制,控制CMYK半色调网点空间排列位置,实现紫外防伪图像隐藏;最后实现红外和紫外防伪图像的复合,集成两种色谱半色调防伪方法的优点,消除单一方法在推广立用中存在的不足,解决印刷信息防伪、信息隐藏、抗复制假冒侵权的技术难题。

b90299cde27b4ab69ede22201ee165ab.jpg

红外光下的同色异谱防伪图像

46717101cb694bf3a9c60b1234e24058.jpg

红外光下的半色调防伪图像



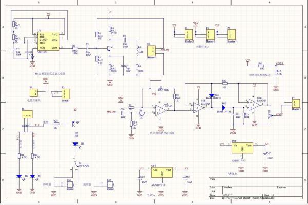
基于C8051F单片机的金属探测系统的设计

包晨阳 电子信息工程专业

这是一一个针对金属物体的探测系统,可以应用于某些既需要安全检查又要求节省时间,避免拥堵的公共场所,如机场,火车站,地铁站等。该系统的设计主要应用电磁感应原理。在电磁感应原理的基础之上,使用线性霍尔元件,检测探测线圈因有金属物体靠近而发生的磁场强度改变,并将之转变为电压的变化。通过这种方法,利用了更适合单片机系统的电压信号,使C8051F020单片机控制电路输出报警信号达到检测金属的目的。硬件连接P1.0引脚接正常工作指示灯。霍尔元件的输出输入到单片机AIN0.0引脚。以霍尔元件的静态输出作为单片机内部的基准值范围。当输入电压不在基准值范围内时,通过P1.1引脚控制报警电路进行声光报警、振动报警,从而达到金属检测功能。利用软件多次采样的方法消除了干扰信号的影响,提高了可靠性。

eb54bae74138456e99227a89f86ea616.jpg

ee0806e40c7d40d19f1f9b50937c839e.jpg

cc053fa274b342b4ba23978674f52aac.jpg



绘本书籍立体结构设计与制作

朱淑媛 印刷工程专业        

本作品为《洛神赋》立体书版,改编自叶露盈的绘本版《洛神赋》。该绘本运用中国传统古典绘画技法,将曹植《洛神赋》的意境活灵活现地展现了出来,富有浓厚的中国色彩和诗词文化意蕴。本次作品将其改编成立体书,书中围绕曹植与洛神之间的情感变化,节选了六个代表性场景制作成型:途经景山、曹洛初见、玉佩通意、踟蹰哀思、归隐神界、溯流追思。六个页面相互串联,同时运用不同的立体结构,和故事情节融合在一起,将曹植与洛神的故事概括而完整地展现了出来。        

d27ba85e61f3486986bf8b28611bf249.jpg

26e9cf86bb494a2e885613709f19c3b7.jpg

c62906cf73ec420f8d1b72a5093342d8.jpg



书刊印刷生产订单全生命周期跟踪管理模型

林俐 物流工程专业

在智能制造和工业4.0背景下,现有书刊印刷生产企业业务主要涉及销售、物资、生产、质量、财务等,虽初步具备流程化管理基础和信息管理能力,但对生产流程总体管控较弱,在生产策划、过程管控等方面存在缺失,导致内部供产销数据不同步,无法及时获取订单生产进度,紧急订单响应效率不高。本课题基于BPMN2.0标准, 利用Activiti工具进行建模。使用丰富的语义信息,以流程为导向,从企业整体角度出发对现有印刷生产业务流程进行重构,提供一种印刷生产通用的业务流程模型。将传统的直线型流水线生产模式改为并行式生产模式,降低时间成本;通过企业内部双反馈机制,使供产销数据实时同步;紧急订单进行动态优先级排序,大大提高响应速度;生产数据实时更新,客户可以追踪订单生产进度;客户和企业双向评价促成双方长期战略合作;报废品、污染物监测更加符合绿色印刷标准。通过以上流程优化,实现书刊印刷生产订单全生命周期跟踪管理。

ee067238b6734e8483b5bed574604789.jpg

a9540be1bbab4bde8beb6869e5810122.jpg


359bb2b25f1a443d9ea03a190af8c7b0.jpg



基于图像分割的信息隐藏算法研究与实现

李星辰 电子信息工程专业        

本作品实现在图片中嵌入和提取水印,常用于信息安全、版权保护和作品防伪。基本步骤如下:第一,研究图像分割的算法,将图像进行分块分割,在分块区内研究信息嵌入算法,实现信息分块嵌入;第二,研究水印信息从分块嵌入载体中的提取计算方法,实现水印提取,恢复水印信息;第三,研究在图像不同块嵌入水印对载体图像像质的影响,开展信息隐藏鲁棒性、安全性研究;第四,编程实现并对于MATLAB GUl建立的用户介面,实现计算输出一体化。        

3527c2ab3bc849d08effdbe3156d6a3b.jpg

278bc0e7b28d4192aaa73fd46a5834ad.jpg



智能居家配药装置设计

赵蒙召 机械工程专业

随着我国人口老龄化的发展,患有慢性病需长期服药种类达七种及以上老人占1.8亿老人的14.5%。老人记忆力衰退,47.47%服药存在少服、多服、漏服现象。据此,本作品设计一款适用于居家老人的智能配药装置,辅助其完成按时、按量服药。装置由药品信息录入、储药、配药、输送、集药等五部分组成。

设计基于空间拓扑结构的储药装置增大储药量,采用正弦、双导槽和平行四杆机构组成串联式组合机构驱动真空吸附头抓药,利用药品总数和气压传感器联合判断药仓药品余量,利用嵌套伸缩管输送药品,避免卡藏。装置可储存一周药量,能完成表面干燥的片剂、胶囊、丸粒药品按顿、按量配送。

操作时,将药物按照种类分别放入装置储药部分的不同独立药仓中,利用面板上的激光扫码器扫描药盒条形码获取药名,在面板上键入药品总数、服药时间、服药数量等信息。到达预设服药时间,装置会自动将本顿所需药品分配好并放入集药盒中,同时提醒患者服用。

81ac55dad2c447419f9a882cdbe99a7d.jpg

5f02a86df651415c9f17f74f366dfa2b.jpg



智能衣柜的叠衣机设计

巩骐瑞 机械工程专业

装置由衣物输入部分、叠衣平台和叠衣滑车三大部分构成,利用咬牙、压轮配合伸缩式滑轨和输送带完成对衣物的输入,通过收束板完成对上衣两侧的向内折叠,采用丝杠螺母、直动凸轮和曲柄滑块组成串联机构完成对衣物折线处的固定,利用叠衣杆拉拽的方式完成衣物的纵向折叠,最后将衣物输出至智能衣柜对应类的储衣格,完成衣物的自动叠放。操作时,拉下输衣板,把衣物居中放置于输衣板上,并将衣物前端放入咬牙内。衣物被咬牙拖拽至叠衣机内并完成折叠。待咬牙复位后,等待提示放入下一件衣物即可。完成折叠后,可将输衣板收起,节省空间。        

       

4d3656278d844afbb5d11913487a49c4.jpg        

5fa9eb0887a14de785610f83be649493.jpg        

c5242b568bf646d3b04b86ca27cd24c9.jpg